
2021 – present
Developing accessible reference collections
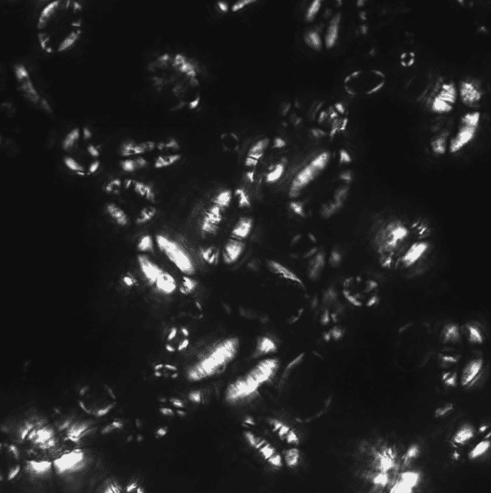
Comparative reference databases are essential for research and community knowledge building. I focus on collating data on microscopic plant and algae remains that is both informative and easy to navigate using the Omeka S platform.


Databases
Part of the SEARCH project, this database collates microscopic residues from plants and algae found in the North Atlantic Region (e.g., Norway and Scotland). This database is funded by Horizon Europe (MSCA-PF).
2019 – McMaster Microbotanical Research Database
This database is a collection of microbotanical specimens, including phytoliths and starch granules,, from modern plant material processed at the McMaster Paleoethnobotanical Research Facility (MPERF). This collection focuses on species from northern temperate environments.


